别克昂科威有备用保险丝吗、在哪、位置图解
时间:2017-03-09 14:02:14 编辑:车主手册
相关文章
- 别克昂科威的保险丝盒有3个,机舱一个,副驾驶驶一个,后背箱那边一个。说明书上都有,点烟器保险丝是在F4上(如图所示)。保险丝盒...[详细]
- 别克昂科威的保险丝盒有3个,机舱一个,副驾驶驶一个,后背箱那边一个。说明书上都有,自动大灯保险丝是在F38上。保险丝盒上在动手之...[详细]
- 别克昂科威的保险丝盒有3个,机舱一个,副驾驶驶一个,后背箱那边一个。说明书上都有,昂科威雨刷保险丝有两个,一个是前雨刷保险丝...[详细]
- 别克昂科威的保险丝盒有3个,机舱一个,副驾驶驶一个,后背箱那边一个,说明书上都有,昂科威的汽油泵位置是在F11上。保险丝盒上在动...[详细]
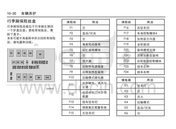
- 别克昂科威的保险丝盒有3个,机舱一个,副驾驶驶一个,后背箱那边一个。说明书上都有。保险丝盒上在动手之前,必须了解清楚每个保险...[详细]
- 别克昂科威的保险丝盒有3个,机舱一个,副驾驶驶一个,后背箱那边一个。说明书上都有。昂科威转向灯保险是在F15和F16上。保险丝盒上在...[详细]
- 别克昂科威的保险丝盒有3个,机舱一个,副驾驶驶一个,后背箱那边一个。说明书上都有。昂科威倒车灯的位置是在F15和F16保险丝盒上。在...[详细]
- 别克昂科威的保险丝盒有3个,机舱一个,副驾驶驶一个,后背箱那边一个。说明书上都有。音响和喇叭是在F34保险丝盒上。在动手之前,必...[详细]
- 方向盘最下面左脚边上面那里,也就是左侧手盒的下面,打开手套箱就可以看到一个盖子,实在找不到看一下说明书 取出保险丝并不需要用...[详细]
- 别克昂科威的保险丝盒有3个,机舱一个,副驾驶驶一个,后背箱那边一个。说明书上都有。天窗的保险丝是在F12。保险丝盒上在动手之前,...[详细]
- 2014款别克昂科威的保险丝盒有3个,机舱一个,副驾驶驶一个,后背箱那边一个。说明书上都有。保险丝盒上在动手之前,必须了解清楚每...[详细]
- 别克昂科威的保险丝盒有3个,机舱一个,副驾驶驶一个,后背箱那边一个。说明书上都有。保险丝盒上在动手之前,必须了解清楚每个保险...[详细]
- 别克昂科威1.5t的保险丝盒有3个,机舱一个,副驾驶驶一个,后背箱那边一个。说明书上都有。Usb保险丝的位置是在F30。保险丝盒上在动手...[详细]
- 别克昂科威的保险丝盒有3个,机舱一个,副驾驶驶一个,后背箱那边一个。说明书上都有。如图所示,F36和F37就是昂科威的大灯保险丝。保...[详细]
- 别克昂科威1.5t的保险丝盒有3个,机舱一个,副驾驶驶一个,后背箱那边一个。说明书上都有。保 险 丝盒上。在动手之前,必须了解清楚每...[详细]
- 别克gl8保险丝盒位置在在方向盘左下面的一个储物盒后面。大多数汽车有两个保险丝盒。 一个位于发动机室,所安装的保险丝用于冷却风扇...[详细]
- 雪佛兰科帕奇保险丝盒说明书:当电路发生故障或异常时,伴随着电流不断升高,并且升玻璃保险丝管VICFUSE高的电流有可能损坏电路中的某...[详细]
- 别克昂科威的保险丝盒有3个,机舱一个,副驾驶驶一个,后背箱那边一个。说明书上都有,点烟器保险丝是在F4上。保险丝盒上在动手之前...[详细]
- 别克昂科威点烟器保险丝的英文缩写是CIGAR 15A 别克昂科威的保险丝盒有3个,机舱一个,副驾驶驶一个,后背箱那边一个。说明书上都有。...[详细]



















